Manufactured pieces can differ in size and dimensions from an original CAD model due to variations in the manufacturing processes. To optimally control and communicate the allowable variations, engineers and manufacturers working under the American Society of Mechanical Engineers (ASME) standards, use a symbolic language called Geometric Dimensioning and Tolerancing (GD&T).
On the other hand, ISO uses Geometrical Product Specifications (GPS). GD&T and GPS are very similar in their symbols and principles, but they have some important differences.
GD&T shifts the focus from perfect geometry to focusing on critical features for function while allowing more flexibility for non-critical features.
It serves as an inspection language, connecting design intent with manufacturing reality. It precisely defines how parts should be measured and what references to use, ensuring that inspections are both repeatable and defensible.
In GD&T, a standardized system is used to define and communicate engineering tolerances and part geometry. It uses a symbolic language to precisely describe the size, form, orientation and location of features on a part. This allows engineers, machinists and inspectors to understand how a component should be manufactured and how it will fit or function within an assembly.
Let’s start off by looking at this drawing.

This is a fully defined drawing – there is nothing preventing us from manufacturing this, but it may be missing information that identifies the truly important features.
There is no GD&T on the above drawing. Can the OD be out of round? Does it need to be concentric? How non-flat can the front face be?
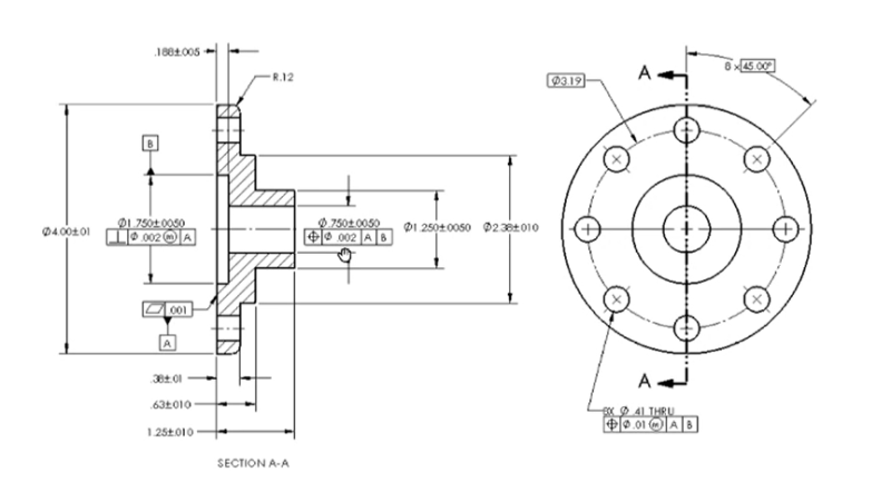
Now, let’s look at the same drawing with GD&T applied.

GD&T transfers the functional requirements of the assembly down to individual parts. You use universal symbols like flatness and perpendicularity to reduce the amount of text on a drawing.
Generally, when applied correctly, GD&T ensures that functional features not meant for printing are kept separate. This process maximizes productivity while maintaining the design’s intended form, fit, and function.
GD&T also helps create a more thorough design process. As a designer, you can define dimensions based on how mating parts relate to each other, which keeps the focus on the assembly’s function and eliminates guesswork on the shop floor.
A common misconception about GD&T is that it tightens tolerances and makes parts harder to manufacture. In reality, it often provides more tolerance.
Traditional coordinate dimensioning usually defines a hole’s location with a square tolerance zone. However, a hole is round. If a hole falls slightly outside the square corner but is still functional, it would technically be rejected under traditional rules. GD&T uses diametric tolerance zones, which offer 57% more tolerance area than a square zone.
Look at these two diagrams.

The boxes surrounding a dimension represent basic dimensions – these dimensions are theoretically perfect and are driven by the tolerance within a feature control frame. Since the tolerance has a diameter symbol in front of it, this indicates it is a diametric tolerance zone and not a co-ordinate tolerance zone.
Please note how these two tolerance zones differ from each other.
Now, let’s look at the implementation of GD&T in your design which involves applying specific symbols and rules to the features of a part.
A Datum is a theoretical reference point, line, or surface on a part that serves as the origin for measurement and manufacturing. It acts as a frame of reference against which other features are defined and inspected, ensuring consistency in how parts fit and function together.
Datums are usually selected from important functional surfaces or features, such as a flat face, a hole, or an axis, and are labeled with capital letters.
Feature Control Frames are the heart of GD&T. Engineers use it as the core communication tool in GD&T to define a feature’s specific geometric requirements on a part.
It provides a standardized, symbolic way to describe how much variation in form, orientation, location, profile, or runout is acceptable. It is a rectangular box with multiple pieces of communication about tolerance type and value, material conditions and datums.
Now, here’s a chart that shows you the different symbols and what they describe.

Please note that this is the 2009 standard. In the 2018 standard, concentricity and symmetry were removed, with position driving both of these symbols in the 2018 standard. However, since many designers still use these symbols.
As you can see on the chart, there are different types of tolerances, namely form, profile, orientation, location and runout.
Form controls the shape of a feature, while Profile controls the outline of a surface. Then there’s Orientation, which controls the feature’s tilt, and Location, which controls its position. Finally, Runout controls how much a feature varies as you rotate the part.
To conclude, learning GD&T helps you reduce confusion, lower costs and ensure your final product assembles exactly as planned. Whether you’re designing a simple bracket or a complex aerospace part, GD&T can help you turn your design into a functioning part.
Newsletter Signup
Sign up to be the first to know about new blog posts and other technical resources
Stay Updated
Subscribe to our newsletter
to get our latest news.
Proudly Certified
© Protocase 2022 - All rights reserved.